音声デジタル資料

                          JJ1GRK 99.10
 


 
現時点での、まじかるくらぶ方式、音声デジタル通信の現況報告です。
 
まず、通信ですが、1.2GHz、10w(移動時1w)でテストを続けています。
方式はGMSKのまじかるくらぶV3.11です。
これは、V3.00と完全に互換性があります。
(多少機能が追加されています)
 
ハムフェアでは、見通し外で5Kmと発表しましたが、実際、そんなもんです。
といっても、これは方式的問題ではなく、1.2Gの伝搬傾向によるものが大きく、
普通のFM同士でS3が取れない条件では、音声デジタルもダメという事です。
ちなみに見通しでは.......とりあえず、実験したパターンはすべてOKでした。
ですから、チャンピオンデータを追うことはやめ、現在はFMとの差を
無くすべく作業を続けています。
あと、Sで3つです。
月面反射は実験していません。(あたりまえか)
 
なお、モービルでは、結果はあまり良くありません。
この理由は簡単で、反射によって激しい落ち込みがあるためです。
誤り訂正を掛けるか、ダイバシティを取りたいところですが、
こうすると、現在のフォーマットの利点が消えてしまうので、
どうしようかと考えています。
バースト誤り対策で、データを入れ子にし、リードソロモンを掛けるのが
一般的であり、こちらでもそれなりにメドを付けてあるのですが、
これをやったら携帯電話!だという事も、ちょっと引っかかっています。
 
 
免許は1.2G、2.4G、5.6Gでおりていますが、
実際に運用を続けているのは1.2G(1298.5MHz)です。
理由は簡単で、リグ&アダプターで簡単に通信が可能だからです。
 
 


 
CQ誌8月号では、1Mbps伝送のテストまでを公表しましたが、
はてさて、これからどうしましょう。
 
 
なお、何分にも人数の少ないクラブですので、開発と発表/広報を分業することが
できていません。
このため、情報の出るのが遅れていますが、御容赦下さい。

なお、本装置についての詳細は、ここではなく、まじかるくらぶのHPにあります。

 

 
 
戻る

 

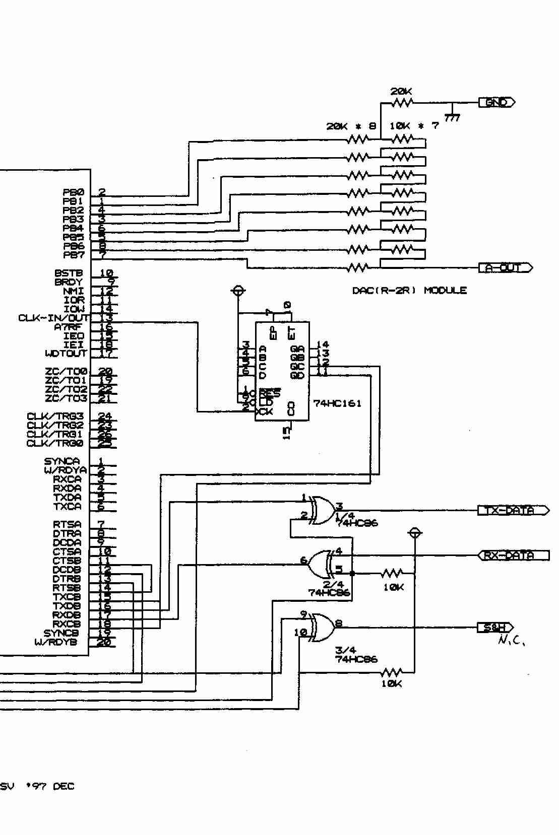
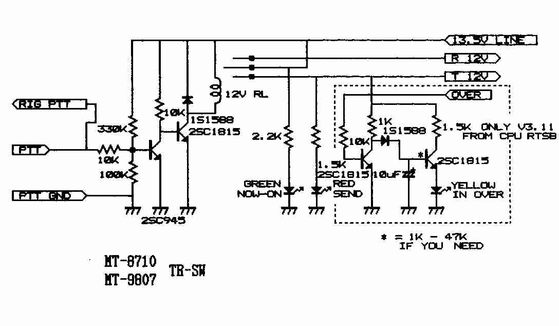
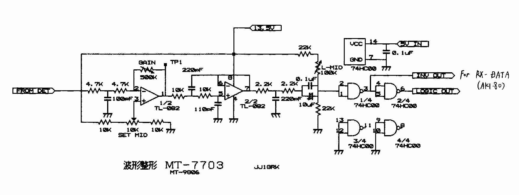
以後回路図が続きます。とり急ぎアップしたかったので、高圧縮JPEGファイルの羅列ですが、御容赦下さい。

 

どうも御苦労様でした。以上です。

  アドベのアクロバットは高いし、こちらで使用している回路図エディタソフトCEは普及しているとは言いづらいしということで、どうしようか考えていたのですが、とりあえず、強引な形ですがアップしました。 でも、こうして、全回路図&プログラムを出せるのは、完全自主開発だからです。

すこしは誉めてね!

 

戻る