2)お勧めの送信機

  ★市販キットとしては、今はこれがあります。
   完成品としては、サムウェイのTX2200Aがあります。
   新たにオプションが設定されました。    お金で解決するならこれが一番簡単です。
   なお、このTX2200A機器が手に入る場合、出力は50Wのものにしておくことをお勧めします。
   これは、等方輻射電力が1W以下でも、送信装置出力が50Wを超えると固定局の扱いになるためです。
   また、出力を落とすことで、ファイナルの破壊からも逃げることが可能になります。
   周波数が低く、アンテナ帯域も狭くなる135kHz帯では、高VSWRに対する備えも必要です。

  ★自作品としてはいろいろな物が考えられます。
   すでに雑誌にもいろいろ載っていますから回路例には困らないでしょう。
   ただし、このバンドは制約が多いので注意点を書いておきます

   a)キークリックは致命的となります。波形の長いパルスが生じるので、
     これがACラインに入ると機器の誤動作を起こしかねません

   b)出力インピーダンスの測定方法がわからない場合、
     インピーダンスに左右されにくい回路、送信フィルタを採用してください。

   c)局発をワンチップマイコンで分周して利用する場合、
     ジッタ(位相ゆらぎ)には十分気をつけてください。
     法規上もCW信号の帯域は(キーイングによる側波帯を含み)100Hzしか許されていません。
     また、PSK対応を考慮すると、ジッタは致命的となる場合もあります。

   d)将来のことを考えると、最低限、BPSK対応をしておいたほうがよいと思います。
     B〜C級シングルアンプはお勧めできません。

  ★135kHz帯に限りませんが、自作関係の話では、時々、思いつき!?としか思えない話もあるようです。
   自作の参考にする場合は気を付けてください。

   a)オーディオアンプを使用する回路では、アンプを周波数上限でフルスイングで使うために生じる
     様々なトラブルに見舞われます。
     単に特性が上に伸びているから....というだけで「オーディオアンプも使えます」なんて言う
     無責任な話にはご注意ください。

   b)スイッチング電源用部品を使用している場合も、思わぬトラブルに見舞われます。
     経験的に、こちらの判定は意外と簡単です。
     素子の入出力容量の処理を見れば、どの程度のレベルの製作物かわかりますから。

  ★我が家の135kHz機は、いろいろな回路で作ってみましたが、
   1号機は、高周波用パワーMOS-FETによる、C級p-p 6W(電源15Vで10W)
   2号機は、オーディオ用ICによる、小型機。総合動作は準F級1.7W、
   3号機は、安価に売られている電源用FET2SK2956p-pによる、セミ/フルブレークインD級、18W(最大40W)
   と、なっています。
   2号機、3号機はハムフェア2010で、展示、公開運用しました。
   3号機は、スイッチングドライブはしているけど、スイッチングできていないので、
   D級と呼ぶかどうかは実は微妙だったりします。ドライバを強化すれば良いのですが.....。

   2011年のハムフェアでは、DDS(ダイレクトディジタルシンセサイザー)で直接発振させた
   9Wの超小型送信機「4号機」を展示しました。
キーヤー、ブレークイン、サイドトーンも内蔵しています
   汎用のPICマイコンを使用して、DDSのソフトウェアは1から書いています。
   (つまり、DDSキットどころか、DDSチップすら使っていません)
   これが、その 135kHz帯用DDSソフトです。
   ダウンロード後、解凍すると、説明、評価用回路図(下にも掲載)、アセンブラソース、HEXファイルが出現します。
   このソフトはPIC 16F84A用で、マイコンチップへの書き込みが必要です。





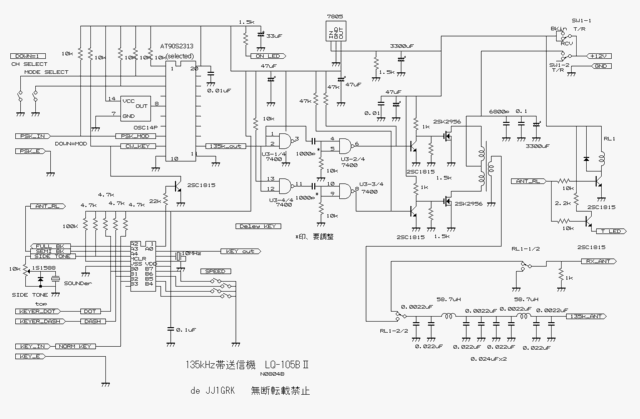
   これは、我が家で作成した2号機の回路です。
   出力は1.7W、CW/BPSK用となっています。
   送信出力側には普通のフィルタが付いているように見えますが、実はここで能率改善と
   インピーダンス調整をやっています。
   L-F1とC-F1をきちんと製作すると、F級に近い動作が得られます。
   ただし、ICの特性から考えると、F級にせず、単純にB級として組んだ方が扱いやすいかもしれません

   フィルタは必要に応じて外にも追加してください。
   なお、ICの特性上、パワーアンプICに通電してから一瞬は電波は出ません。ご注意ください。
   電源電圧は9V〜12Vとなります。電圧で出力は変わらないので、9Vをお勧めします。
   秋月のキットを使用した場合は、放熱器はアースに接続しておいてください。

   AT90S2313は、まじかるくらぶでハムフェアで配布した分周型オシレータ(ASK,PSKキーイングつき)です。


   
   これが出力部の電圧波形
   本当はIC出力は完全な方形波であるべきなのですが、スルーレートの制約に
   掛ってしまっています。
   5MHz程度の軽い振動がありますが、これは予測された動作です。問題はありません。
   もちろん寄生発振などではありません。ICにある端子さえあれば簡単に消せる信号です。
   本来は共振回路をいくつも用いてF級とするのですが、出力部の回路構成を工夫することで
   それに近い動作を簡便に得ているのが、この2号機の特徴です。





   ちなみに1号機の出力部はこんな感じです。
   発表の場がなさそうなので、公開してしまいましょう!。
   
   何をしているかわかりますか?。
   動作クラスはわかると思いますが、タイミング、不整合アンテナへの対応が説明できたら、感服します。
   私が、ンか月掛けて設計した回路です。
   そして、更に改良したい部分がわかったら、更にすごいです。
   まだ改良予定なので、全体の公開はしばらくお待ちください。



3号機の出力波形です

   これは3号機の出力波形です。(上は出力波形、下はトランス出力波形)
   トランス出力はなかなか凄まじい波形ですが、D級のp-pなので、まあ、こんなものでしょう。
   ファイナルは2SK2956プッシュプル。写真から読めるように、現在の最大出力は40W、
   ファンを付ければファイナル部は50Wまでは簡単に対応するのですが、
   実はドライバに問題があり、40W以上を連続で出させるにはドライバの素子を変えてやる必要があります。
   
   2SK2956は入力容量が2000pFの素子ですから、工夫なしには扱えませんが、
   使い方のコツがわかれば、いろいろ遊べる頑丈な!素子です。
   皆さんも是非いじってみてください。
   回路はこんな感じ↓です。結構完成度は高く、安定した回路です。
   フル/セミブレークイン対応、キーヤーも内蔵しています。
TX3 回路図



   これがPIC-DDSの評価回路です。汎用チップなので、R-2Rラダーを外付けしています。
C JJ1GRK 2011

   4号機では、これをバッファで受け、2段増幅して9W出しています。
   PICマイコンで直接発振、PICによるディレイタイムキーヤーも入れてしまったので、
   とても高機能な回路を13×9×3cmに収める事ができました。
   135.00〜137.95kHzを50Hzステップで送信する事ができます。


  ★キーイングの問題について

 
   さて、我が家で信号を受信するとこんな信号が散見されます。   

   まあ、簡単にいえば、キーイング不明瞭なのですが、耳で聞いても結構わかりずらい信号となっています。
   ご注意ください。
   発表された回路を見ても、キーイング回路は雑なものが時々見られますし、
   周波数が低いので、極端にQを上げたアンテナもキーイングの敵になります。
   (Q>100あたりで影響があるようです)



   この信号もおしいところです。

   音はこんな感じ(Wmaファイルです。音量が低いですが御容赦ください)


135kHz帯ページトップに戻る
目次に戻る